ステン束(ステンレス束) 固定地用 F型/L型/U型
安価の上に腐食(サビ)に強く、強度と耐久性に優れています。
ステン束(ステンレス束) 固定地用 F型/L型/U型Stainless steel

※ステンレスは鏡面(ミラー)仕上げではありません。
※製品などの改良の為、予告無しで変更する事があります。予めご了承ください。
品番と調節可能範囲Stainless steel
| 形式 | 品番 | 高さ調整(mm) | 価格 |
|---|---|---|---|
![]() |
SF-60 | 約60〜80 | |
| SF-80 | 約80〜110 | ||
![]() |
SF/SL/SU-105 | 約105〜155 | |
| SF/SL/SU-150 | 約150〜200 | ||
| SF/SL/SU-200 | 約200〜250 | ||
| SF/SL/SU-250 | 約250〜300 | ||
| SF/SL/SU-300 | 約300〜350 | ||
| SF/SL/SU-350 | 約350〜400 | ||
| SF/SL/SU-400 | 約400〜450 | ||
| SF/SL/SU-450 | 約450〜550 | ||
| SF/SL/SU-550 | 約550〜650 | ||
| SF/SL/SU-650 | 約650〜750 | ||
| SF/SL/SU-750 | 約750〜850 | ||
| SF/SL/SU-850 | 約850〜950 |
※ステンレスは鏡面(ミラー)仕上げではありません。
※製品などの改良の為、予告無しで変更する事があります。予めご了承ください。
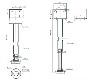
寸法入り図面Drawing
取り付けは簡単Easy
取り付け簡単(片方を回すだけ)
1、取り付けの位置決め約900mm〜1000mmの間隔でおこなう。
2、場所が決まると束石または土間コンクリート床面施工する場合は、取り付け位置に凹凸があればハツリ等で平らにし清掃する。
3、ねじタイプの取り付けは大引きに(L、F)型の金具を釘孔から(釘の長さは50mm以上)打ち止めて、パイプを持ちながら底板のナットを回して高さを調整して、スプリングワッシャのナットで大引きを締め付けてください。
★安全性の為、溶接はしません。
★底面は横揺れの耐久性の為、円く、プレスでカシメています。
★底面と束石または土間コンクリート面はボンド等で固定しないでください。(しかしながら足場の必要に応じて作業して下さい。)
★万が一、足場を固定した場合、高さの微調整はパイプの止めているナットを緩めてパイプを右に回すと高くなります。
※製品などの改良の為、予告無しで変更する事があります。
あらかじめご了承ください。













